圣邦微电子推出12V&24V汽车应用的八通道低边驱动器SGM42408Q
扫一扫
分享文章到微信

扫一扫
关注豌豆财经网微信公众号
圣邦微电子推出SGM42408Q,一款兼容12V&24V汽车应用的八通道低边驱动器,具备直接GPIO驱动或16位SPI控制功能。导通电阻为570mΩ,每通道最大可输出1.2A峰值电流,集成完善的故障诊断与上报功能,包括开路检测、短路保护、过流保护及过热保护等。该器件可用于阻性负载、感性负载和工业PLC的I/O模块,为汽车电子与工业控制提供高可靠性多路驱动解决方案。
SGM42408Q是一款通过AEC-Q100 Grade 1认证的高可靠性低边驱动器,专为严苛的汽车电子环境设计。器件工作温度范围-40℃至+125℃,满足汽车应用对器件的高可靠性要求。
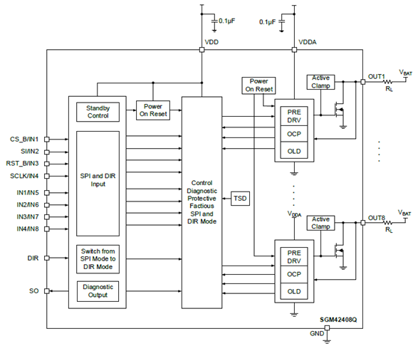
在电气特性方面,SGM42408Q支持宽电源电压范围,输出端口耐压高达56V。数字逻辑供电电压VDD支持3V至5.5V,模拟保护电路供电电压VDDA范围为4V至5.5V。其典型导通电阻为570mΩ,每通道安全限流值可达1.2A(典型值),常温关断待机模式下,静态电流可接近0μA。SGM42408Q支持快速开通和关断:开通时间(tON)在16μs,关断时间(tOFF)在30μs;器件内置钳位保护电路,为感性负载关断提供退磁回路(每通道高达90mJ退磁能量),每个通道均具备独立的过流检测、负载开路检测、欠压保护及过热锁存保护,并支持故障状态实时上报。
该驱动器通常用于驱动阻性或感性负载,负载的另一端连接至电源(VCC)。用户可通过INx引脚并行控制各通道输出,也可以在主控制器(MCU)GPIO资源紧张情况下,采用串行通讯SPI接口(支持5MHz通信时钟频率)进行驱动控制,通过专用的Direct-SPI模式引脚(DIR)进行自由的控制方式切换。在GPIO驱动模式下,任何通道触发的故障诊断都会通过SO引脚及时输出指示;在SPI串行控制模式下,可以通过SO引脚对8个通道进行独立、精确的状态监控。
SGM42408Q采用符合环保理念的TSSOP-24(Exposed Pad)绿色封装,其八通道架构可提供单通道最高1A或8通道每通道0.6A的连续负载驱动能力。器件还集成了完善的保护机制,包括负载开路检测、短路至VCC保护、过电压钳位保护等,并特别针对汽车电子环境设计了系统级保护功能。兼容3V/5V逻辑电平输入的特性使其能灵活适配各类汽车电子控制系统,为多路驱动应用提供了高集成度、高可靠性的理想解决方案。

图1 SGM42408Q典型应用框图

图2 SGM42408Q功能框图
圣邦微电子汽车级驱动产品系列
SG Micro Corp
圣邦微电子提供完整的高边与低边驱动器产品组合,以满足汽车电子系统多样化的负载驱动需求。
表1 圣邦微电子已推出高低边驱动产品一览

投稿邮箱:lukejiwang@163.com 详情访问豌豆财经网:http://www.wdyxw.com.cn
圣邦股份:1月20日持仓该股ETF资金净流出7574.37万
据同花顺(300033)iFind,圣邦股份(300661)1月20日ETF资金当日净流出7574.37万元,
公司要闻2026-03-07
头条资讯





















