引领高压轨到轨新风向!思瑞浦推出零交越失真TPA277x系列运算放大器
扫一扫
分享文章到微信

扫一扫
关注豌豆财经网微信公众号
聚焦模拟和数模混合
聚焦高性能模拟与数模混合产品的供应商思瑞浦3PEAK (股票代码: 688536) 推出TPA277x系列高压轨到轨输入输出运算放大器。与传统OPA双对管结构不同,其采用电荷泵技术,从根本上实现零交越失真,保障信号传输的线性度。此外,TPA277x拥有高电源抑制比与高共模抑制比,尤其在100KHz高频干扰环境下抑制能力达到60dB,帮助客户优化在电源与共模回路的设计和成本。凭借全面的性能优势,广泛应用于工业自动化、光伏逆变、储能系统、电机驱动器以及服务器电源等领域,为相关设备的稳定运行与性能提升保驾护航。凭借过硬的产品性能优势和市场竞争力,TPA277x系列产品已在多家头部客户批量出货。
01
TPA277x产品优势
宽电源范围&高压RRIO TPA277x系列采用Bipolar工艺,宽供电范围支持3V-36V,同时具备RRIO输入输出导轨能力,增益带宽积4.6MHz ,压摆率3.5V/μs,宽输入共模范围最高支持到+VS+0.1V, 可覆盖绝大多数通用OPA在工业自动化、光伏逆变、储能、电机驱动器和服务器电源设备等使用场景,在电压跟随器、电压基准、电压、高低边电流采样等信号调理电路都可以覆盖,便于帮助客户归一Bom物料。
零交越失真Zero-Crossover TPA277x系列采用内部电荷泵架构:如下左图所示,相比于传统RRIO技术输入对管采用互补差分双对管结构,当输入接近正电源轨时N对管工作, 当输入接近负电源轨时P对管工作。但是当输入信号在两组对管的切换区域时,因对管的特性差异,导致输入失调电压会发生非线性跳变,产生失真。


左图:传统OPA内部PNP+NPN对管架构
右图:TPA277x内部PNP管+Charge Pump升压架构
如上右图所示,TPA277x系列内部只采用PNP管,通过内部电荷泵电路生成高于供电电源的电压,使输入对管始终能正常工作,如下图所示,全共模范围内输入失调电压无非线性跳变。尤其在光伏逆变并网侧,检测逆变电流信号时,保证采样信号不失真。

高电源抑制比PSRR能力
TPA277x系列具有高电源抑制比PSRR能力,如下图所示,能在高频100KHz干扰下抑制比达到了60dB,针对工业自动化、光伏逆变、储能、电机驱动、服务器电源等客户,在电源信号噪声受到板级功率拓扑如反激Flyback,Buck-Boost、谐振LLC、DC-AC等开关频率干扰严重场景,确保OPA本身供电受到这些拓扑的开关频率抖动抑制能力,节省了客户在电源干扰抑制上的设计成本。

高共模抑制比CMRR能力
TPA277x系列具有高共模抑制比CMRR能力,如下图所示,能在高频100KHz干扰下抑制比达到了60dB,针对工业自动化、光伏逆变、储能、电机驱动、服务器电源等客户,在输入信号因上述电源拓扑的开关频率的串扰之外,还会因PCB Layout长走线寄生电感同样引入共模干扰严重场景有较强抑制能力,节省了客户在输入共模信号跳变干扰抑制上滤波的设计成本。

无相位翻转No phase reversal
客户系统采样经常出现输入共模信号发生跳变,尤其是超过运放电源轨的场景下,输出信号很容易被拉到电源轨,无法恢复到正常工作范围,导致输出信号可能会出现短脉冲。这些输出短脉冲可能会对引起后级系统的误动作,例如在一些过流保护、过压保护应用中,输入共模信号的跳变会引起误保护,会给用户增加额外的成本去规避这些风险。为了应对这种场景,TPA277x系列通过设计优化,如下图所示,输入信号分别超过在电源正负轨±5V范围外时,Vout均未产生相位翻转的问题。

02
TPA277x产品特性
供电范围Supply Voltage: 3V to 36V;
高压轨到轨输入输出RRIO;
零交越失真Zero-Crossover;
电源抑制比PSRR&共模抑制比CMRR : 60dB@ 100kHz;
失调电压Vos: ±3.5mV Maximum at 25°C;
增益带宽积Gain-Bandwidth Product:4.6MHz ;
压摆率Slew Rate: 3.5V/μs;
总谐波失真加噪声THD+N:0.0008%;
工作温度范围Operating Temperature: 40℃ to +125°C。
03
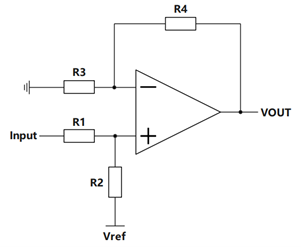
TPA277x典型应用
TPA277x系列在全供电电压范围内,能覆盖绝大多数场景下的工业应用,保证在全温度范围内实现信号的准确采样,其典型应用电路如下图所示。

TPA277x系列可提供样品申请及评估板技术支持。如有需求,请联系思瑞浦当地销售团队。更多产品信息请点击下方“阅读原文”查看产品数据手册。

投稿邮箱:lukejiwang@163.com 详情访问豌豆财经网:http://www.wdyxw.com.cn
头条资讯






















