精准控油,稳定护航—英华特电子油位控制器重磅上市
扫一扫
分享文章到微信

扫一扫
关注豌豆财经网微信公众号
制冷及热泵系统的能效与寿命,核心取决于压缩机的运行状态——而压缩机的“血液”油液,通过润滑、密封、冷却、降噪四大作用,为其稳定运行保驾护航。油位一旦失控,过高会引发液击,过低则会造成干磨、卡缸,均会对压缩机造成不可逆损伤,直接导致系统停机、维护成本激增。可见,油位的精准管控不是可选配置,而是压缩机长效运转的核心前提,更是保障系统全生命周期价值的关键环节。
面对复杂多变工况下的油位保障难题,国内涡旋压缩机领域的领先企业英华特(301272),精准锚定市场痛点——当前油位控制方案存在安装复杂、精度不足、响应迟缓、误判、价格高等问题,重磅推出Y-YL系列电子油位控制器,为压缩机可靠运行提供高效解决方案:
01
霍尔高精度传感器+内置微处理器的组合,实现油位实时监测与智能分析,0.2s极速响应,精准调节供油阀的同时,彻底杜绝监测失效、油沫误报警等常见问题;
02
闭环控制与自适应算法双管齐下,让油位始终稳定在最佳区间,监测误差≤0.3mm,从源头避免液击、干磨等故障;
03
自带故障自诊断、预警、保护停机功能,红、蓝、绿、白四色指示灯直观显示设备状态,运维更省心;
04
IP65高防护等级,可在-40℃~60℃的极端环境下稳定运行,抗凝露、抗震动性能优异,适配各类复杂工况;
05
支持声光报警,可无缝联动中控系统,实现全自动化监控,大幅减少低温环境下的人工运维成本;
06
结构紧凑(尺寸≤112×79×52mm),兼容市面主流品牌涡旋、活塞压缩机,安装便捷且通用性强,无需额外改造;
07
针对单机、无储油式油分的制冷系统,可单独使用控制器本体,压缩机缺油时自动触发停机保护,避免不可逆损伤。
Y-YL系列电子油位控制器目前有标配适配器(规格:1-1/4”,12UNF)和非标配适配器两种型号供用户选择,如图1和表1所示:

图1

表1
Y-YL系列电子油位控制器安装:
1、对于螺纹连接视液镜的压缩机(如英华特中低温YM、YF全系列及YH、YW系列部分型号),采用“取视液镜+适配器转接”的安装方式,将油位控制器本体固定于原视液镜位置(如图2);对于法兰连接视液镜的压缩机(如英华特半封涡旋系列),采用“取视油镜+直接固定”的安装方式,将油位控制器部署于原视液镜位置(如图3);

图2

图3
2、对于其他品牌、其他型号的压缩机,需先确认视液镜尺寸参数,根据实际需求选配适配的适配器,再将油位控制器固定于原视液镜位置,实现跨品牌机型的技术适配。
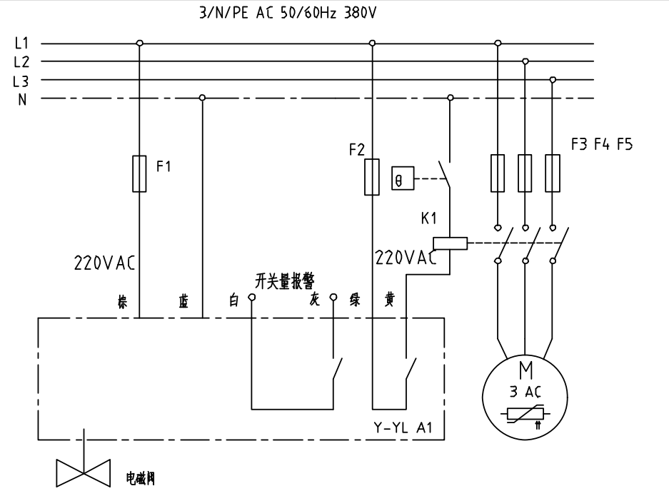
Y-YL系列电子油位控制器接线:
Y-YL系列电子油位控制器仅需6根线即可完成接线,无需复杂调试,轻松实现双重安全防护:
1、棕/蓝线为电源线,负责给油位控制器供电;
2、白/灰线为报警输出线,搭配常开无源触点(7A 250VAC/30VDC),可直接连接声光报警装置,异常情况及时提醒;
3、绿/黄线为压缩机控制线,同样配备常开无源触点(7A 250VAC/30VDC),可串联接入压控、温控、交流接触器线圈等控制线路。
一旦检测到低油位,控制器会通过压缩机控制线迅速切断压缩机,从源头避免干磨、卡缸等致命故障,接线示意如图4所示:

图4
应用场景:
1、单机系统:无需额外配置,单独使用油位控制器本体即可实现缺油停机保护,从源头杜绝压缩机缺油干磨的致命故障;
2、并联系统:针对并联系统或带油分+储油器的单机系统,智能控制模块可实时监测油位,低油位时自动触发回油电磁阀补油,全程无需人工干预,保障系统连续稳定运行油
英华特Y-YL系列电子油位控制器,精准锚定行业油位管控痛点,以七大核心优势实现油位的精准、快速、稳定管控。产品安装便捷,兼容主流及跨品牌压缩机,接线简单且具备双重安全防护,可灵活适配单机、并联等多场景。它能从源头规避压缩机因缺油造成的不可逆损伤,降低运维成本,为制冷及热泵系统稳定运行提供可靠保障。

投稿邮箱:lukejiwang@163.com 详情访问豌豆财经网:http://www.wdyxw.com.cn
头条资讯























