突破AI算力与通信瓶颈:圣邦微电子硅光芯片SGM41290定义高集成、高精度、高灵
扫一扫
分享文章到微信

扫一扫
关注豌豆财经网微信公众号
关键词:高集成、高精度、高灵活度、硅光AFE
圣邦微电子推出高集成、高精度、高灵活度的硅光AFE SGM41290,适用于硅光控制系统的多样化需求。器件集成最高1MHz I C以及最高10MHz SPI通信接口,具备丰富的输出与监测资源,包括12通道12位单路最高40mA带载能力的电压/电流型DAC、4通道12位单路最高300mA的电流型DAC和12路MULTI_IO引脚。
芯片采用符合环保理念的WLCSP-3.98×3.89-56B绿色封装,工作温度范围在-40℃ ~+105℃。

图1 SGM41290应用框图
SGM41290核心亮点
SG Micro Corp
1、多路可配置DAC,精准驱动硅光元件
SGM41290集成12路电压/电流型DAC(HEATER0-HEATER11),每路均具备12位分辨率,支持最大40mA输出,适配不同硅光加热器的电压与电流驱动需求。

图2 电压型DAC驱动下的加热器电压变化

图3 电流型DAC驱动下的加热器电流变化
2、大电流激光驱动器,支持多路并联
SGM41290集成4路12位IDAC(IBIAS0-IBIAS3),通过I C控制IBIAS电流增益寄存器(IBIAS_GAIN_CTRL Register)可实现最高300mA的偏置电流输出。器件支持多路并联方案进一步增大偏置电流到最高300mA×4=1.2A,出色的电流驱动能力可以满足大多数激光二极管的电流偏置需求。硬件/软件EN的灵活控制可以保证电流输出的一致性,避免繁琐的时序控制调试,而硬件EN的快速关断功能有助于后级负载的快速泄放,有效避免后级残压带来的不可控情况。

图4 通过EN_IBIASx控制的单通道启动和关闭过程

图5 通过共享EN_IBIASx引脚控制的双通道并联输出启动和关闭过程

图6 通过EN_IBIASx实现的快速关断过程
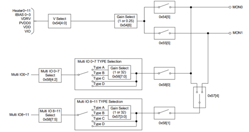
3、灵活监测与通用IO复用
SGM41290集成12路可配置MULTI_IO引脚,可以配置成电压/电流监测模式并通过MON0/MON1引脚输出到后级ADC。对于有多路MPD的场景,可以通过软件配置实现对不同MULTI_IO的轮询检测,减少硬件资源需求。此外,MULTI_IO引脚还可以配置成通用IO口,用于读取电平信息或输出高低电平。

图7 通过MONx引脚监测加热器电压和偏置电流的单调变化过程
4、完备的保护机制
SGM41290具有过温告警、Heater开路/短路告警以及IBIAS开路/短路告警等功能,并通过推挽输出的LOS引脚通知主机进入中断。

图8 加热器电压和偏置电流在135℃过温报警时的变化


图9 IBIAS短路报警
图10 IBIAS开路报警


图11 电压型加热器短路报警
图12 电流型加热器开路报警
SGM41290典型应用
SG Micro Corp
硅光应用中,经常需要多路MPD监测光强,而后级MCU的ADC和IO资源有限。SGM41290针对这一问题,提供了MON0和MON1引脚同时输出两路电流/电压信息,同时还可以通过软件配置轮询输出。以下图为例,分别将MON0和MON1配置成电压和电流监测模式:MON0用于轮询监测HEATER0和IBIAS0的端口电压信息,MON1用于轮询监测接入MULTI_IO8和MULTI_IO9的MPD电流信息。

图13 内部电压信号监控检测

图14 内部电流信号监控检测
SGM41290应用Q&A SG Micro Corp Q
激光驱动(IBIASx)的最小压差(headroom)是多少?如何配置输出电流达到300mA?
IBIASx的输出电流分别为200mA和300mA时,其headroom分别为100mV(TYP)和160mV(TYP)。
若需将IBIASx配置为300mA输出范围,可以将寄存器0x1D的低四位(IBIAS_GAIN_CTRL Register[3:0])设置为1来分别对应IBIAS3-IBIAS0的300mA输出电流范围。
Q MULTI_IOx及MONx如何用于监测MPD电流?对应的外围电路应如何设计?
MULTI_IOx通过寄存器MULTI_IO_CTRLx Register配置IO的功能类型,通过读取引脚(MON0/MON1)输出相应的电压/电流信息监测信号,具体配置逻辑如图15所示。

图15 电压/电流监测配置逻辑示意图
对于MPD电流监测场景,MULTI_IOx可以配置成Type A - Type D四种类型,如图16所示。
Type A:适用于多路MPD共阳极连接的使用场景,且内部电流增益可以配置成1或32;
Type B:适用于多路MPD共阴极连接的使用场景,且内部电流增益可以配置成1或32;
Type C:其电路结构与Type B增益配置成1时完全相同;
Type D:在Type C基础上,芯片内部为MULTI_IOx提供了500Ω的内部回路。
MULTI_IOx进行MPD电流监测时,建议在MONx对地连接500Ω电阻,以便MONx形成稳定的电压信号。为了确保监测功能与精度,需注意以下电压范围要求:
Type A模式:MULTI_IOx端口电压应介于VDD-1.4V到VDD-0.3V之间;
Type B模式(增益为32):MULTI_IOx端口电压应介于0.42V到1.23V之间。

图16 MULTI_IOx功能类型示意图
Q HEATERx如何配置为电压型或电流型DAC?对应的外围器件有何要求?
芯片内部将12路HEATER通道分为HEATER8-11、HEATER4-7以及HEATER0-3三组。通过配置寄存器0x24的低三位(HEATER_MODE Register[2:0]),可分别将这三组设置为电压型或电流型DAC,其中电流型DAC支持并联使用。
外围器件建议:
电压型DAC:建议在Heaterx引脚附近并联0.1μF-0.5μF输出电容;
电流型DAC:建议在Heaterx引脚附近并联0.1μF-10μF输出电容。
SGM41290参数一览
SG Micro Corp
工作电压范围(VDD):2.7V至5.5V工作电压;
12路12位VDAC/IDAC(HEATER0-HEATER11);
VDAC:0-2.5V/5V(±0.6%精度),支持最大40mA负载电流
IDAC:0-30mA(±2%精度)
电源需求(VDRIVE):2.7V-5.5V
4路12位200mA/300mA IDAC(IBIAS0-IBIAS3);
输出电流:单路200mA,可通过寄存器扩展到最大300mA输出能力,并支持多路并联
硬件EN(EN_IBIASx)与软件EN控制,便于多路IDAC并联输出控制
EN_IBIASx快速关断功能
电源需求(PVDDx):1.5V-VDD
12路可配置复用的MULTI_IO(MULTI_IO0-MULTI_IO11);
支持电流监测
支持电压监测
支持通用IO功能
I C接口:支持最高1MHz通信速率;
SPI接口:支持最高10MHz通信速率;
完备的保护功能:过温保护、HEATERx开路/短路指示、IBIASx开路/短路指示。
结语
SG Micro Corp SGM41290以其高集成度、高精度输出、灵活的监测与IO配置,以及全面的系统保护机制,为硅光控制系统提供了可靠的模拟前端解决方案。
未来,随着数据中心与AI算力需求的迅猛增长以及数据中心对高速、低延迟通信的需求激增,硅光芯片作为光电融合的新型技术,凭借其高速、低功耗、高集成度等优势,正成为突破传统电子芯片性能瓶颈的关键路径。圣邦微电子以精准驱动能力,助力光通信系统迎接更广阔的市场前景。
投稿邮箱:lukejiwang@163.com 详情访问豌豆财经网:http://www.wdyxw.com.cn
头条资讯























